May 24, 2021

Let's Get Critical (to Quality) with Injection Molding Part Design

By Protolabs

It’s pop quiz time. True or False: The dimensions of every feature on a molded part must adhere to the strictest of tolerances. The answer is…false…usually. While models always aim for that (and so do we, as manufacturers), the truth is that there are usually only certain features that are critical to the function of your product.

What if you could indicate the dimensions that were really important to the function of your parts, while potentially speeding up manufacturing and lowering costs? That’s the core idea behind our manufacturing process, which lets you call out Critical-to-Quality (CTQ) features in your 3D CAD model so you can be assured that the parts you order are consistent with your model.

Even better, when your manufacturer uses scientific molding techniques (we do), each step in the injection molding process is independently optimized to maximize part quality, and then documented digitally. That means the next time you order those parts, we can follow those steps to manufacture consistent parts that adhere to your CTQ specifications.

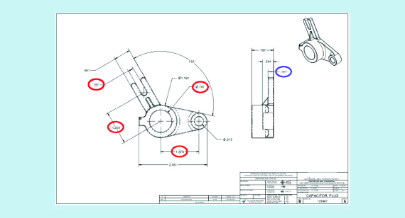
Red and blue circles indicate certain design preferences
Use a red circle to indicate your part design’s most critical features and a blue circle to show features that are for reference only—not as critical to your parts, but something you still want to flag.

The idea here is that if part quality and accelerated sample qualification are prime considerations for you, CTQ lets you say upfront what you think is most critical in your parts, and what is of secondary importance.

From there, we can focus most carefully on the things that most concern you, finding novel ways to get the job done. Let's quickly walk through the process.

Submit Your Design

Submit a print of your model and use a red circle to indicate the dimensions and tolerances for between one and five of the most critical features.

If we can’t solve issues involving tolerances for any of these without affecting your experience or lead time, we will reach out and let you know about other options available to meet your needs.

You can also use a blue circle to indicate features that are for reference only—not as critical to your parts, but you still want to flag.

As always, we will put our best foot forward to meet the tolerances for the feature. Unlike red-circled specifications, however, if we can’t meet that feature’s specifications precisely, we will move ahead with manufacturing, rather than delay the order.

First article inspection
For molded parts, we will inspect the first three shots from the tool, using a Coordinate-measuring Machine (CMM), and provide you with a First Article Inspection (FAI) report, as seen in this example above.

Review Your Inspection Statement of Work

Next, our applications engineering team will review your model and email you an Inspection Statement of Work (ISOW), which lets you know if any features you circled have issues with tolerances and moldability. Once we send the ISOW, we manufacture and inspect your order at Protolabs speeds. Please reach out immediately if there are any concerns with the information in the ISOW. Contact one of our applications engineers at 877-479-3680, or send an email to [email protected].

View Report on Your Final Parts

Once we have completed molding process development, which ensures we have a consistent, and repeatable process to produce quality parts, we will inspect the first three shots from the tool, using a Coordinate-measuring Machine (CMM), and provide you with a First Article Inspection (FAI) report.

The CTQ FAI will measure all critical and reference dimensions. Leveraging the same CMM, we will inspect another 30 parts from the order and produce the CTQ Capability Report.

Parts will be measured at an equidistant cadence of n/30 where n = total part order quantity. Along with the measurement data from each part, the Capability Report will also provide the average measurement, standard deviation, and a Cpk value for all critical dimensions.

The Advantages of CTQ

Advantages of CTQ include:

  • In-process quality feedback at the press with no impact to lead time
  • Reduction in cost and time by eliminating in-house measurements
  • Receive a dimensional report to validate samples
  • Gain critical design and material performance lessons for current and future iterations
  • Improved part accuracy and dimensional adherence on customer-specified critical dimension(s)

Ultimately, you need parts that work effectively in your application and you know how each part, like a puzzle piece, fits into that schema. Letting us know the most important features ensures that you’ll get your parts back fast and with the accuracy and reliability you expect.