Stocked Threaded Inserts for Insert Molding, Heatstaking, and Ultrasonic Welding
Insert molding, heatstaking, and ultrasonic welding provide options to insert metal parts into your injection-molded part. We stock threaded inserts for these processes to support your unique design needs.
Insert molding adds a preformed part—often metal—during the injection molding process. Ultrasonic welding and heat staking are post-processing options to add inserts in thermoplastics to support different—and often times, more complex—geometries. Ultrasonic welding uses a high frequency vibration to generate heat and drive the insert into the part, while heat staking generates heat by using a conductive surface. Our applications engineering team can provide insight into the best solution for your project.
Click here to download the CAD files of our stocked inserts.
Stocked Threaded Inserts
Long
Short
| INS # | Thread | Length |
|---|---|---|
| INS-PL0001 | 2-56 UNC | 0.156 in. |
| INS-PL0002 | 4-40 UNC | 0.205 in. |
| INS-PL0003 | 6-32 UNC | 0.25 in. |
| INS-PL0004 | 8-32 UNC | 0.25 in. |
| INS-PL0005 | 10-24 UNC | 0.356 in. |
| INS-PL0006 | 1/4-20 UNC | 0.344 in. |
| INS-PL0007 | M3x5 | 5.21mm |
| INS-PL0008 | M4x7 | 6.35mm |
| INS-PL0009 | M5x8 | 7.13mm |
| INS # | Thread | Length |
|---|---|---|
| INS-PL0010 | 2-56 UNC | 0.125 in. |
| INS-PL0011 | 4-40 UNC | 0.187 in. |
| INS-PL0012 | 6-32 UNC | 0.219 in. |
| INS-PL0013 | 8-32 UNC | 0.312 in. |
| INS-PL0014 | 10-24 UNC | 0.281 in. |
| INS-PL0015 | 1/4-20 UNC | 0.5 in. |
| INS-PL0016 | M3x5 | 4.77mm |
| INS-PL0017 | M4x7 | 8.00mm |
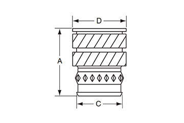
| Inch | Metric | A | B | C | D | E | F | Min. Boss | ||
|---|---|---|---|---|---|---|---|---|---|---|
| Thread Size | Part Number | Thread Size | Part Number | ± 0.004 in. (long) | ± 0.004 in. (short) | ± 0.004 in. | ± 0.004 in. | 0.002 in. | 0.002 in. | |
| 2-56 | 256 x 115H | M2.0 x 0.4 | M20 x 115H | 0.115 in. | 0.123 in. | 0.141 in. | 0.129 in. | 0.118 in. | 0.246 in. | |
| 256 x 188H | M20 x 188H | 0.188 in. | 0.112 in. | 0.141 in. | 0.123 in. | 0.107 in. | 0.246 in. | |||
| 4-40 | 440 x 135H | M2.5 x 0.45 | M25 x 135H | 0.135 in. | 0.157 in. | 0.172 in. | 0.159 in. | 0.153 in. | 0.318 in. | |
| 440 x 219H | M25 x 219H | 0.219 in. | 0.146 in. | 0.172 in. | 0.159 in. | 0.141 in. | 0.318 in. | |||
| 6-32 | 632 x 150H | M3.5 x 0.6 | M35 x 150H | 0.150 in. | 0.203 in. | 0.219 in. | 0.206 in. | 0.199 in. | 0.412 in. | |
| 632 x 105H | ||||||||||
| 8-32 | 832 x 185H | M4.0 x 0.7 | M40 x 185H | 0.185 in. | 0.230 in. | 0.250 in. | 0.234 in. | 0.226 in. | 0.468 in. | |
| 832 x 312H | M40 312H | 0.3127 in. | 0.213 in. | 0.250 in. | 0.234 in. | 0.208 in. | 0.468 in. | |||
Free moldability analysis within hours
Get A QuoteRequest More Information
Thanks for your interest in Protolabs. Please let us know how we can provide more information on our services. Once we receive your comments, an applications engineer from our team will follow-up as soon as possible.
If you have a 3D CAD model of your part ready, upload it online now to receive an interactive quote with free design for manufacturability feedback within hours.